AS 1390 ISO metrische kopbouten met grove spoed
Product: AS 1390 ISO metrische kopbouten met grove spoed
Eigendomsklasse: 4.6,4.8,5.6,5.8,8.8,10.9,12.9,
A2-70, A4-70,A4-80
Afwerking: verzinkt (geel zink, zinkblauw, spoelkleur), zwart, fosfaat en olie, zinkfosfaat, thermisch verzinkt (HDG), Dacromet, Geomet
Materiaal: staal
Exportland: VS, Japan, Australië, Europa enzovoort
Ondersteuning van klantaanpassing
AS 1390 ISO metrische kopbouten met grove spoed (ook bekend als bouten met ronde kop en vierkante hals) zijn speciale bevestigingsmiddelen met een halfronde kop en een vierkante hals. Door het ontwerp met ronde kop is de kop van deze bout halfrond, waardoor hij gemakkelijker vast te draaien is met gereedschap zoals een tang of moersleutel. Tegelijkertijd maakt deze kopvorm het ook lastig om aan andere voorwerpen te haken, waardoor het gebruiksgemak en de veiligheid toenemen. De vierkante hals is een ander onderscheidend kenmerk van bouten met ronde kop en vierkante hals. Het ontwerp met vierkante hals voorkomt dat de bout meedraait met de moer wanneer deze wordt vastgedraaid, waardoor een betere grip ontstaat.
Afbeeldingen
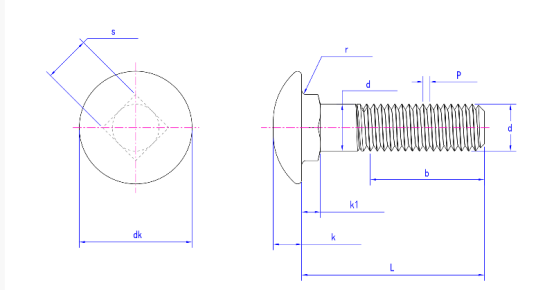
Producttekening
Productspecificatie
Maat |
M5 |
M6 |
M8 |
M10 |
M12 |
M16 |
M20 |
M24 |
|
P |
0,8 |
1 |
1.25 |
1.5 |
1,75 |
2 |
2.5 |
3 |
|
dk |
maximaal |
11.25 |
13.5 |
18 |
22.5 |
27 |
36 |
45 |
54 |
min |
11.14 |
12.4 |
16.9 |
21.2 |
25.7 |
34.4 |
43,4 |
52.1 |
|
dsmax |
5.48 |
6.48 |
8.58 |
10.58 |
12.7 |
16.7 |
20.84 |
24.84 |
|
k |
maximaal |
3.1 |
3.6 |
4.8 |
5.8 |
6.8 |
8.9 |
10.9 |
13.1 |
min |
2.5 |
3 |
4 |
5 |
6 |
8 |
10 |
12 |
|
k1 |
maximaal |
3.1 |
3.6 |
4.8 |
5.8 |
6.8 |
8.9 |
10.9 |
13.1 |
min |
2.5 |
3 |
4 |
5 |
6 |
8 |
10 |
12 |
|
S |
maximaal |
5.48 |
6.48 |
8.58 |
10.58 |
12.7 |
16.7 |
20.84 |
24.84 |
min |
4.52 |
5.52 |
7.42 |
9.42 |
11.3 |
15.3 |
19.16 |
23.16 |
|
R |
maximaal |
0,4 |
0,5 |
0,8 |
0,8 |
1.2 |
1.2 |
1.6 |
1.6 |
min |
0,2 |
0,25 |
0,4 |
0,4 |
0,6 |
0,6 |
0,8 |
0,8 |
|
Ondersteuning van klantaanpassing |
|||||||||
Een introductie over ons bedrijf
Sollicitatie
Jinan Star Company is gespecialiseerd in de productie van bevestigingsproducten. Onze bouten, moeren en andere producten worden veel gebruikt in machines, spoorwegen, auto's, bouw, elektriciteit, bruggen, communicatie, brandbestrijding en andere industrieën.
Werkplaats
De werkplaats van Jinan Star Fastener Co., Ltd. is het kerngebied van de productie en productie van het bedrijf, met geavanceerde productieapparatuur. De redelijke indeling van de werkplaats en het wetenschappelijke productieproces zorgen voor een efficiënte productie en hoogwaardige output van bevestigingsproducten.
Certificering
Jinan Star Fastener Co., Ltd. heeft de 2015-versie van de ISO9001-certificering van het kwaliteitsmanagementsysteem verkregen via het wetenschappelijke management van leiders van verschillende afdelingen en het nastreven van hoge kwaliteit voor bouten en andere bevestigingsmiddelen. Bovendien heeft het laboratorium van Star Company de certificering in 2017 behaald. In 2018 heeft het de nationale CNAS-certificering behaald en in 2018 heeft het bedrijf de Europese CE-certificering behaald.
Productieapparatuur
Om aan de behoeften van verschillende klanten te voldoen, heeft het bedrijf een reeks geavanceerde productieapparatuur geïntroduceerd, zoals koudkopmachines met meerdere stations, draadwalsapparatuur, warmtebehandelingsapparatuur, straalmachines, zandstraalmachines, galvaniseerlijnen en andere oppervlaktebehandelingsapparatuur en volautomatische verpakkingsapparatuur. Deze apparatuur verbetert niet alleen de productie-efficiëntie, maar zorgt ook voor de consistentie en stabiliteit van de productkwaliteit.
Uitrusting testen
Jinan Star Fastener Company hecht veel belang aan de productkwaliteit en is uitgerust met complete kwaliteitscontroleapparatuur, zoals trektestmachines, koppeltesters, metallografische microscopen, optische projectoren, zoutsproeitestkamers, laagdiktemeters, enz., die worden gebruikt om test de treksterkte en rek van bevestigingsproducten en evalueer de mechanische eigenschappen van producten. Deze apparatuur zorgt ervoor dat elke schakel, van grondstoffen tot eindproducten, streng gecontroleerd kan worden op kwaliteit.
Inpakken
FAQ
1: Wat zijn de belangrijkste kenmerken en voordelen van slotbouten?
A: Het belangrijkste kenmerk van slotbouten is hun halfronde kop en vierkante hals. Bouten met dit ontwerp zijn niet gemakkelijk te draaien wanneer ze worden vastgedraaid, en hebben goede consolidatie- en bevestigingseffecten. Bovendien hebben slotbouten een hoge sterkte en duurzaamheid, waardoor de stabiliteit en veiligheid van de verbinding wordt gegarandeerd.
2: Wat zijn de toepassingsscenario's van slotbouten?
A: Slotbouten worden veel gebruikt in gelegenheden waarbij verbindingen met gemiddelde en lage snelheid nodig zijn, zoals auto's, verbindingspunten voor opleggers, bruggen, enz. Bovendien zijn slotbouten, omdat hun koppen glad zijn en niet gemakkelijk andere voorwerpen vast te haken, ook vaak gebruikt in landbouwmachinepoten, wandpanelen en andere gelegenheden.
Dienst
1. Geef een productcatalogus en specificatieparameters van slotbouten die voldoen aan de AS1390-norm om klanten te helpen de prestaties en het toepassingsbereik van het product te begrijpen.
2. Als de klant speciale behoeften heeft, kan de fabrikant productiediensten op maat leveren volgens de AS1390-norm en produceren volgens de specificaties en vereisten van de klant. Bied gepersonaliseerde ontwerpdiensten aan, zoals het veranderen van de vorm en grootte van de slotboutkop om aan de speciale behoeften van klanten te voldoen. Monsterverstrekking en testdiensten:
3. Bied monsters van slotbouten aan die voldoen aan de AS1390-norm, zodat klanten deze kunnen proberen en evalueren, om ervoor te zorgen dat het product aan de verwachtingen en eisen van de klant voldoet.
4. Bied technische ondersteuning en after-sales service om vragen en zorgen te beantwoorden die klanten tijdens het gebruik tegenkomen.
5. Geef klanten, indien nodig, training over de AS1390-normen, het gebruik en het onderhoud van slotbouten om het begrip en de bedieningsmogelijkheden van het product door de klant te verbeteren.
6. Diensten voor supply chain management. Klanten helpen bij supply chain management, zorgen voor tijdige levering en voldoende voorraad slotbouten, voorraadwaarschuwingen en aanvullingssuggesties geven, en klanten helpen de voorraadkosten en -risico's te verminderen.
7. Milieubescherming en duurzaamheid. Bied slotboutproducten aan die voldoen aan de eisen op het gebied van milieubescherming en richten zich op de duurzame ontwikkeling van producten.













