Flensbouten met zeskantkop ASME B18.2.1-8
Product: ASME B18.2.1-8 zeskantflensbouten
Vastgoedklasse: Gr307A, 307B, 325, A449, A490 2,5,8
Afwerking: verzinkt (geel zink, zinkblauw, spoelkleur), zwart, fosfaat en olie, zinkfosfaat, thermisch verzinkt (HDG), Dacromet, Geomet
Materiaal: staal
Exportland: VS, Japan, Australië, Europa enzovoort
Ondersteuning van klantaanpassing
Zeshoekige flensbouten ASME B18.2.1-8 zijn bouttypen die zijn ontworpen en geproduceerd volgens de Amerikaanse productienorm voor bevestigingsmiddelen ASME B18.2.1. Het materiaal van zeshoekige flensbouten ASME B18.2.1-8 kan worden geselecteerd op basis van specifieke behoeften om te voldoen aan de eisen van verschillende technische omgevingen. Zeshoekige flensbouten ASME B18.2.1-8 worden veel gebruikt in de machinebouw, klepaccessoires, chemische apparatuur, scheepsbouw en andere gebieden, en hun uitstekende prestaties en betrouwbare verbindingseffect worden algemeen erkend. Als krachtig bevestigingsmiddel hebben zeshoekige flensbouten ASME B18.2.1-8 een brede toepasbaarheid en betrouwbare verbindingsprestaties. Het is ontworpen en geproduceerd in strikte overeenstemming met de Amerikaanse productiestandaard ASME B18.2.1, waardoor de kwaliteit en stabiliteit van het product wordt gegarandeerd. Het heeft brede toepassingsmogelijkheden in de machinebouw, klepaccessoires, chemische apparatuur, scheepsbouw en andere gebieden.
Afbeeldingen
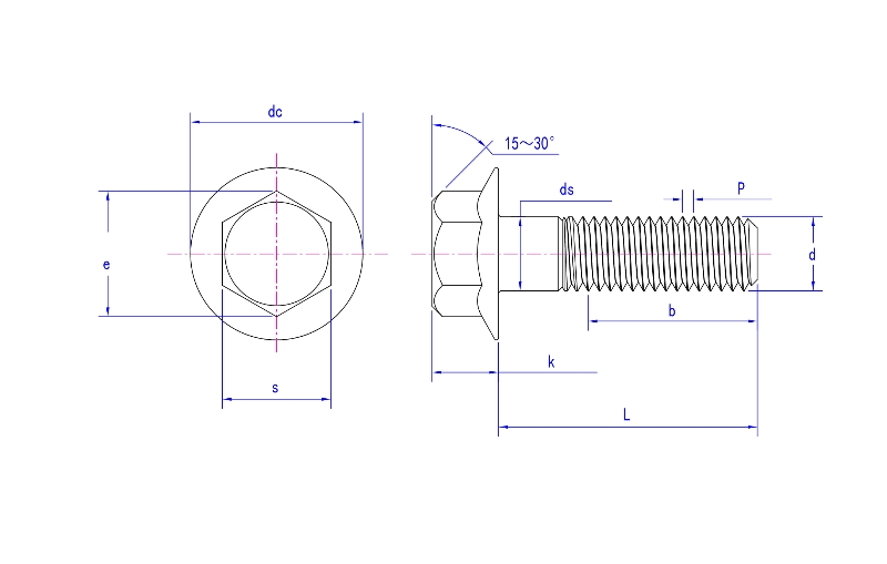
Producttekening
Productspecificatie
Maat |
1/4 |
5/16 |
3/8 |
7/16 |
1/2 |
9/16 |
5/8 |
3/4 |
|
P |
20|28|32 |
18|24|32 |
16|24|32 |
14|20|28 |
13|20|28 |
12|18|24 |
11|18|24 |
10|16|20 |
|
ds |
maximaal |
0,25 |
0,3125 |
0,375 |
0,4375 |
0,5 |
0,5625 |
0,625 |
0,75 |
min |
0,245 |
0,3065 |
0,369 |
0,4305 |
0,493 |
0,5545 |
0,617 |
0,741 |
|
S |
maximaal |
0,375 |
0,5 |
0,5625 |
0,625 |
0,75 |
0,8125 |
0,9375 |
1.125 |
min |
0,367 |
0,489 |
0,551 |
0,612 |
0,736 |
0,798 |
0,922 |
1.125 |
|
e |
maximaal |
0,433 |
0,577 |
0,65 |
0,722 |
0,866 |
0,938 |
1.083 |
1.299 |
min |
0,409 |
0,548 |
0,618 |
0,685 |
0,825 |
0,895 |
1.034 |
1.234 |
|
gelijkstroom max |
0,56 |
0,68 |
0,81 |
0,93 |
1.07 |
1.19 |
1.33 |
1,59 |
|
k max |
0,28 |
0,32 |
0,39 |
0,46 |
0,51 |
0,57 |
0,62 |
0,73 |
|
Ondersteuning van klantaanpassing |
|||||||||
Een introductie over ons bedrijf
Sollicitatie
Jinan Star Company is gespecialiseerd in de productie van bevestigingsproducten. Onze bouten, moeren en andere producten worden veel gebruikt in machines, spoorwegen, auto's, bouw, elektriciteit, bruggen, communicatie, brandbestrijding en andere industrieën.
Werkplaats
De werkplaats van Jinan Star Fastener Co., Ltd. is het kerngebied van de productie en productie van het bedrijf, met geavanceerde productieapparatuur. De redelijke indeling van de werkplaats en het wetenschappelijke productieproces zorgen voor een efficiënte productie en hoogwaardige output van bevestigingsproducten.
Certificering
Jinan Star Fastener Co., Ltd. heeft de 2015-versie van de ISO9001-certificering van het kwaliteitsmanagementsysteem verkregen via het wetenschappelijke management van leiders van verschillende afdelingen en het nastreven van hoge kwaliteit voor bouten en andere bevestigingsmiddelen. Bovendien heeft het laboratorium van Star Company de certificering in 2017 behaald. In 2018 heeft het de nationale CNAS-certificering behaald en in 2018 heeft het bedrijf de Europese CE-certificering behaald.
Productieapparatuur
Om aan de behoeften van verschillende klanten te voldoen, heeft het bedrijf een reeks geavanceerde productieapparatuur geïntroduceerd, zoals koudkopmachines met meerdere stations, draadwalsapparatuur, warmtebehandelingsapparatuur, straalmachines, zandstraalmachines, galvaniseerlijnen en andere oppervlaktebehandelingsapparatuur en volautomatische verpakkingsapparatuur. Deze apparatuur verbetert niet alleen de productie-efficiëntie, maar zorgt ook voor de consistentie en stabiliteit van de productkwaliteit.
Uitrusting testen
Jinan Star Fastener Company hecht veel belang aan de productkwaliteit en is uitgerust met complete kwaliteitscontroleapparatuur, zoals trekbanken, koppeltesters, metallografische microscopen, optische projectoren, zoutsproeitestkamers, laagdiktemeters, enz., die worden gebruikt om test de treksterkte en rek van bevestigingsproducten en evalueer de mechanische eigenschappen van producten. Deze apparatuur zorgt ervoor dat elke schakel, van grondstoffen tot eindproducten, streng gecontroleerd kan worden op kwaliteit.

Dienst
1. Ideale bevestigingsmiddelen aanpassen: Pas services aan op basis van de verstrekte monsters en tekeningen.
2. Met 60 jaar ervaring de perfecte bevestigingsoplossing voor uw problemen: Ruime keuze aan onderdelen.
3. Professionele fabrikant: al onze bevestigingsmiddelen zijn ontworpen en vervaardigd volgens de specificaties en prestaties van de koper.
4. Kwaliteitsborging: Duurzaamheidstesten en sleuteltechnologieontwerp kunnen de levensduur van bevestigingsmiddelen verbeteren.
5. Kosteneffectief: ruime keuze aan onderdelen, geleverd door professionele fabrieken, tegen concurrerende prijzen.
FAQ
1. Over productkwaliteit
Vraag: Hoe waarborgt u de productkwaliteit?
Antwoord: Wij produceren in strikte overeenstemming met internationale en industriële normen. Elke partij producten ondergaat een strenge kwaliteitscontrole om ervoor te zorgen dat de producten aan de hoogste kwaliteitsnormen voldoen. Tegelijkertijd gebruiken we hoogwaardige materialen en geavanceerde productieprocessen om de stabiliteit en duurzaamheid van het product te garanderen.
2. Over diensten op maat
Vraag: Kunt u diensten op maat leveren?
Antwoord: Ja, wij bieden gepersonaliseerde maatwerkdiensten. Afhankelijk van uw specifieke behoeften kunt u de geschikte materialen, afmetingen, oppervlaktebehandelingen enz. kiezen. Wij zullen exclusieve bevestigingsproducten voor u op maat maken volgens uw vereisten.












